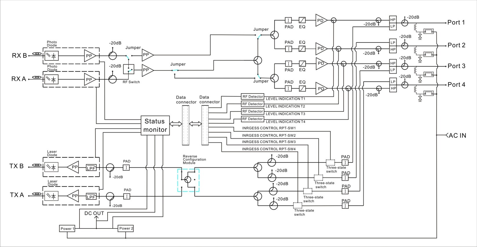
Can be installed 2 DFB1310/1470/1490/1510/1530/1550/1570/1590/1610nm reverse optical transmitter module.
Can be inserted status monitoring transponder, remote control the switching of forward receiver path and on-off of reserve return path.
The network management is HMS standard, meet with SNMP communication protocol, can support the third-party standards management software and compatible with many other famous network management systems.
FWD mixed-signal input port, reverse mixed-signal output port.
Can receive low optical power, optical Input Power (standard configuration):-6dBm to +2dBm.
Soft start, the high quality power supply has over-voltage, over-current and short-circuit protection, optional hot backup.
Aluminum-Alloy housing, Anti-oxidation design.
15Apower passing.
Lightning Arrestors at all RF In/Out Ports.
RF Amplifier Platform, Forward Receiver and Return Transmitter Modules: On field Pluggable.




